首页 > 新闻资讯 > 集团要闻 > 2023年排污许可执行报告公示
新闻资讯
联系我们

0818-6099999

地址:四川省达州市宣汉县普光经济开发区柳池工业园二号干道B区

邮箱:hd@drhdgt.com

网址:www.drhdgt.com

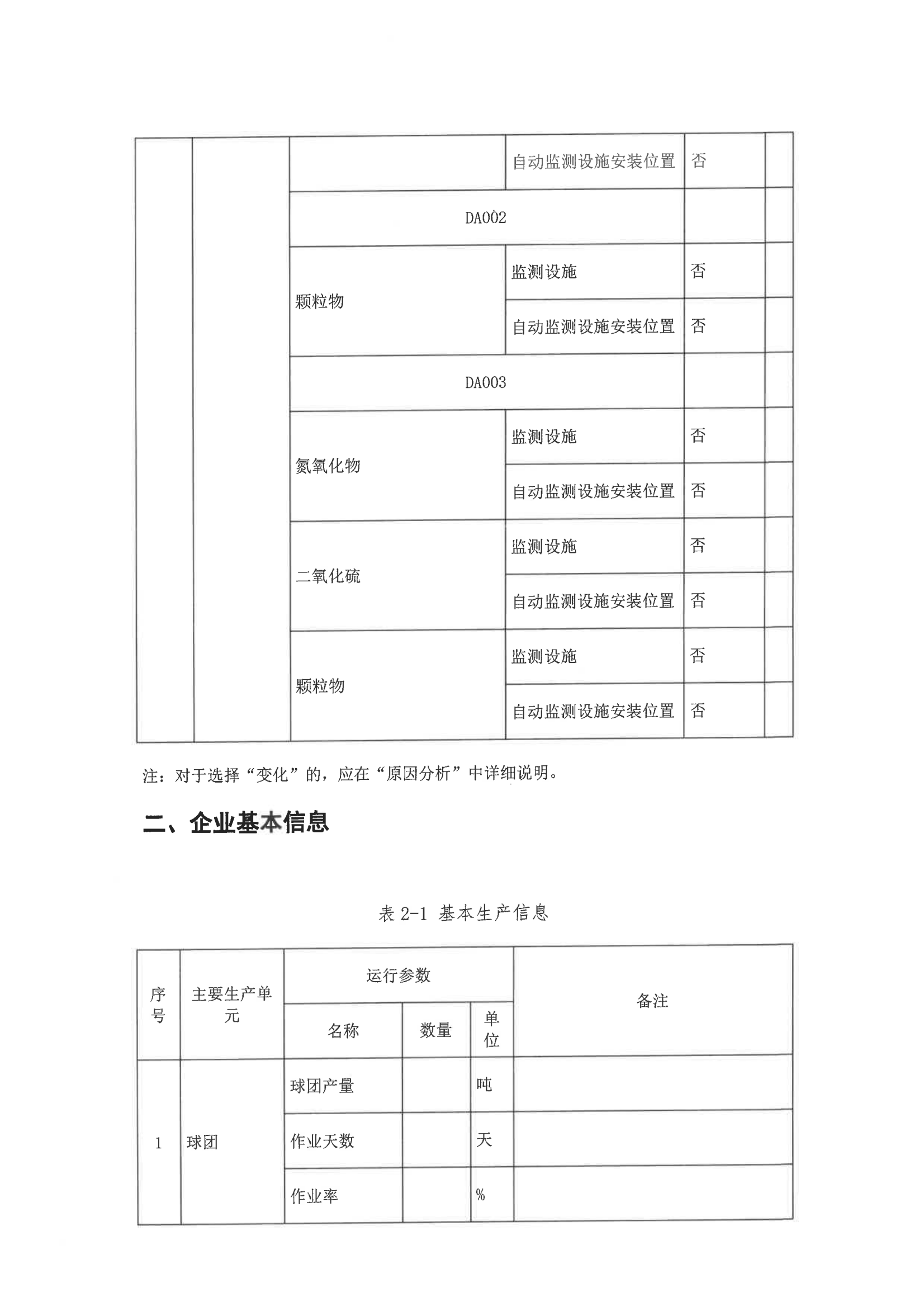
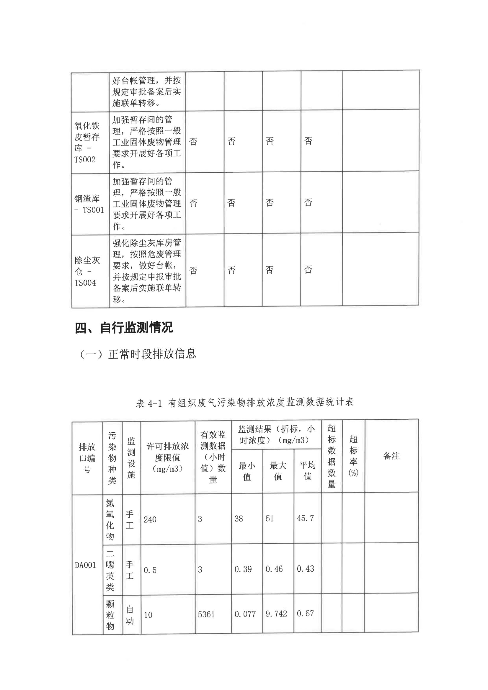
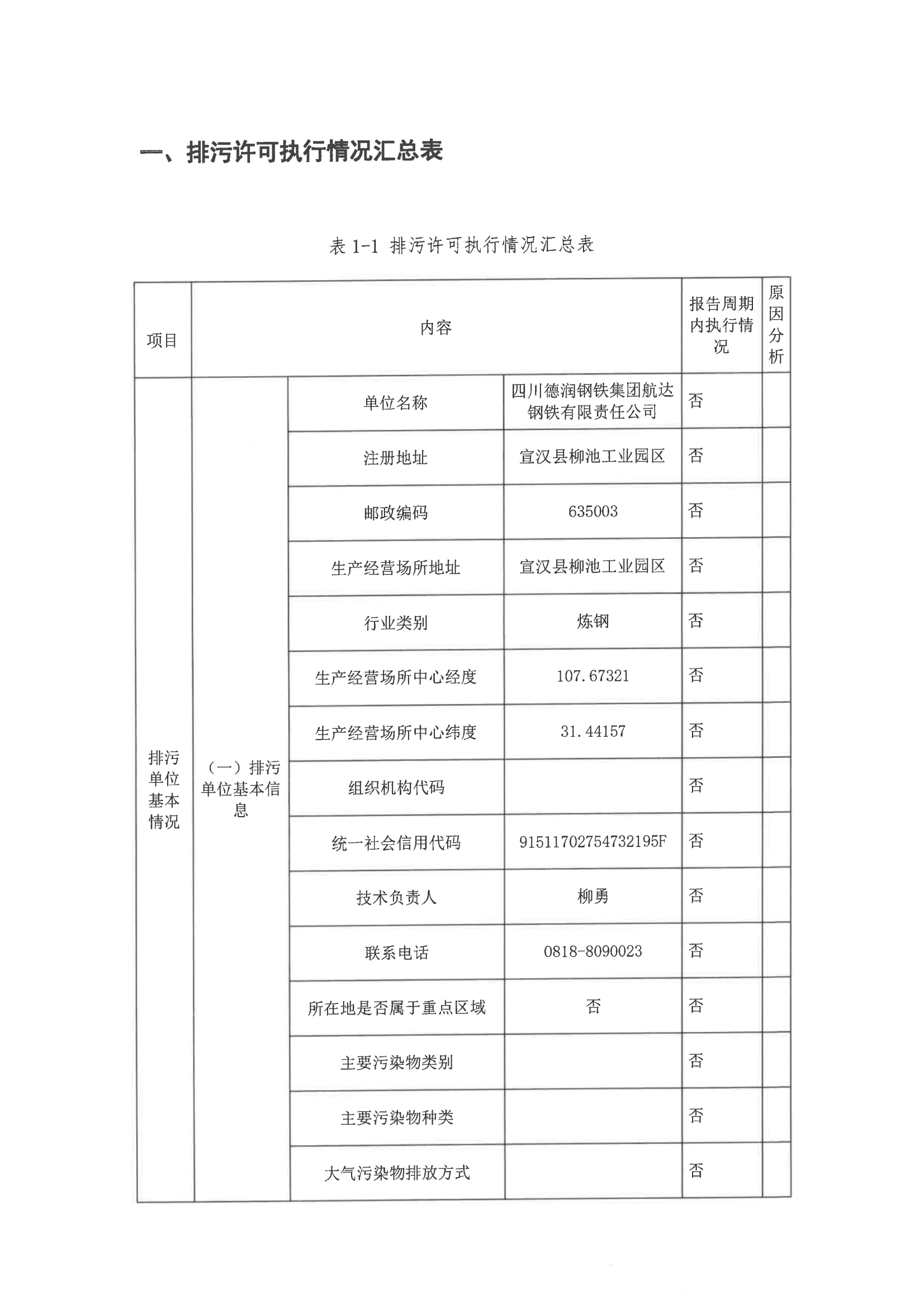
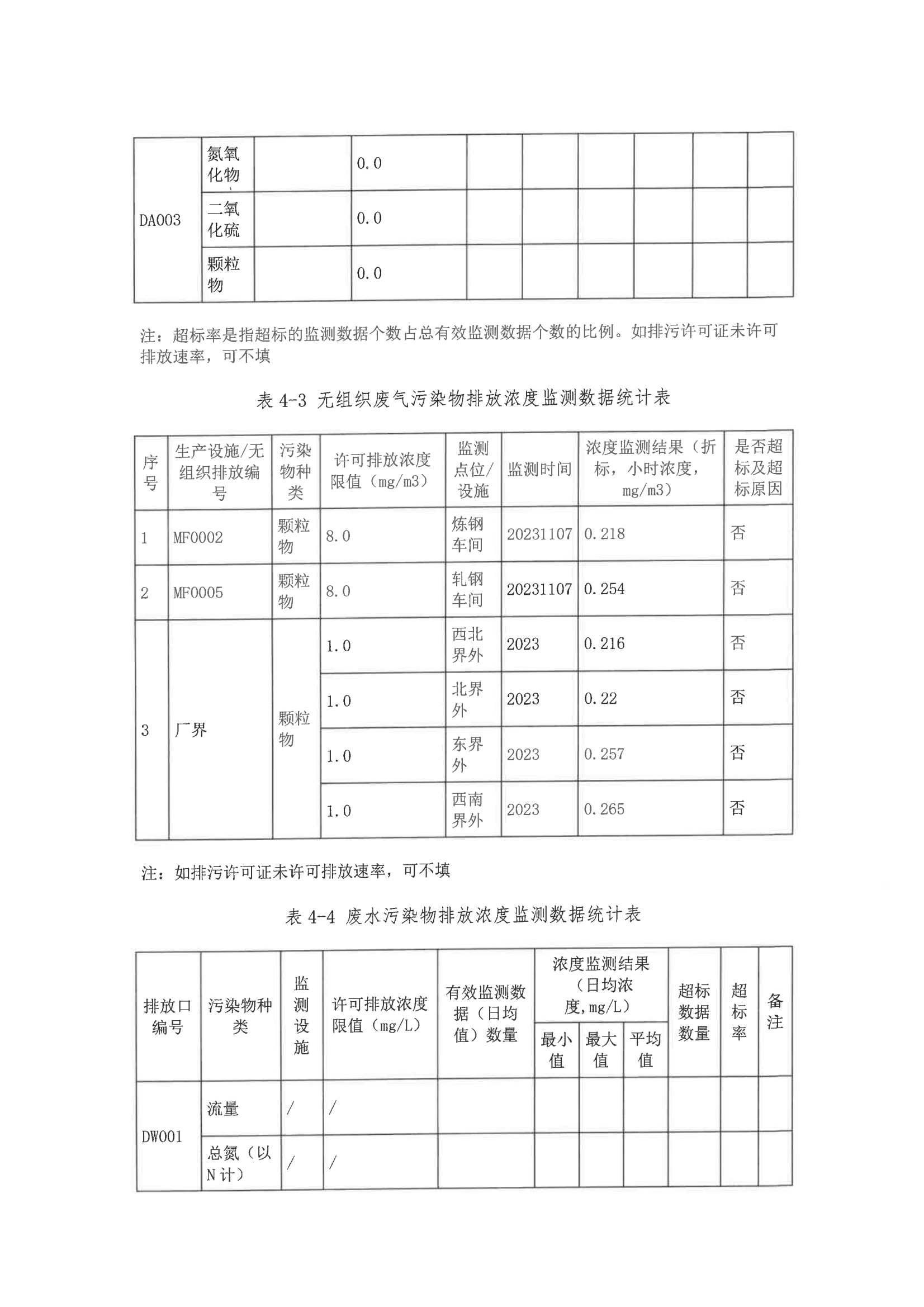
2023年排污许可执行报告公示
发布时间:2024-02-26 | 访问量:7482

邮箱:
地址:
留言